產品中心
PRODUCT CENTER
推薦產品
-

- GGD 低壓成套開關
用途:GGD型低壓固定式成套開關柜適用于發電廠、變電站、廠礦企
-

- ZR-YJV -阻燃電力
YJV電纜主要芯數有2芯、3芯、4芯、5芯、3+1、3+2、4+1、預分支電
-

- NH-BV
耐火電纜是指在火焰燃燒情況下能夠保持一定時間安全運行的電纜。我國國家標
新聞中心
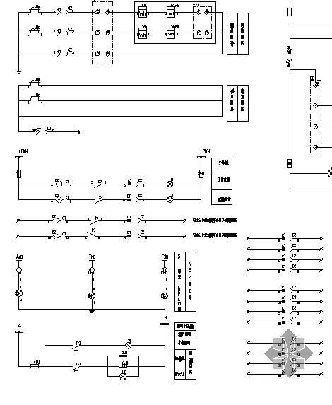
高壓配電柜的圖紙怎么看
配電柜分為高壓配電柜和低壓配電柜。要想設計好配電柜就得會看配電柜的圖紙。下面以低壓配電柜圖紙為例。看圖紙最基礎的是要明白里面的每個圖例是代表什么設備,作用是什么。

低壓配電柜主要就是進線、出線和補償。出線柜的多少要看回路數的多少,一般都是6-8回一個柜子,但是主要是看這一回的電流大小,回路配的開關大小,不同電流的開關大小事不同的。補償柜主要是按容量的大小來陪補償容量的大小;還有低壓的就是聯絡柜,一般是指有多條進線時才有的,當然多條進線不聯絡也是可以的,有聯絡時單母線分段,是為了提高供電可靠性。
陜西德勒電氣專業生產高低壓配電柜,陜西配電柜,西安配電箱,箱式變電站,環網柜,變壓器,電線電纜橋架等規范化企業。具備高低壓開關柜成套專業設計、制造、安裝、維保一站式服務。咨詢電話:029-36385659 029-89611500 手機:15029288158
上一篇:高壓配電柜是什么
下一篇:低壓配電柜有哪些相關書籍?

關注微信公眾號
掃一掃 加微信